- DIY
- A
Real home online cinema on an Android TV box. Cinema / surround 5.1 DIY project
Hello tekkix. I will tell you about my experience of building a home theater with multichannel sound on an Android TV box.
The story is this. My grandchildren come to visit me on weekends. Our Sunday program includes unlimited viewing of cartoons and children's fairy tales online. They also watch this at home, but their parents believe that screen time should be somehow limited. There can be no such restrictions when visiting grandparents. And one more event in the backstory. The eldest grandson is 5 years old and this summer I took him to the cinema. It was the first cartoon in his life on the big screen with big sound. He, of course, did not last the entire session (1 hour 20 minutes), but there were a lot of impressions.
We then decided to build a home theater. The TV is not suitable for this, we need a projector.
I chose FORMOVE FengMi S5. This is the Chinese version and the original craftsmen and artisans of the seller have severely replaced the launcher, stuffed it with alternative programs that are conditionally working. Therefore, I decided to use it only as a projector with an HDMI input. This part of the device works flawlessly. Autofocus at a distance of up to 4.5 meters to the screen works great, the diagonal turned out to be about 160 inches, I reduced it to 150 in the settings. More than enough for a home theater. The brightness is such that comfortable viewing is possible during the day in cloudy weather.
As a source, there was first a streamer “DSP machine 1 Max Power Amp 234” with Raspberry Pi 4. We watched the movie on the Chrome web player. The sound is amazing, I adjusted it a bit to the room. But that's not enough for us, we need Surround and at least 5.1
The solution is not simple. Raspberry Pi 4 with sound through the I2S interface as in the DSP machine cannot reproduce multi-channel sound. The Broadcom BCM2712 processor on which the Raspberry Pi 5 is built has this capability, but it has not yet been implemented. This was reported by programmers from the Raspberry Pi Foundation, I have known them well since we integrated the ChipDipDAC driver and overlay into the official Raspberry Pi OS. Of course, you can output sound through USB audio, there you can get Surround 5.1 from the Raspberry Pi. But if USB audio, it is better to use an Android TV box, at least it will be cheaper. Android has a very well-developed USB audio output and you can get very high-quality multi-channel sound.
As a USB transport, I will only use Reflex3 due to its incredible flexibility in sound settings. And because I am one of the developers of Reflex transports. Reflex itself is only a USB/I2S transport and therefore for analog multi-channel sound output it is installed on our (Chip and Dip) single-board audio computer “Audio Artwork 1452-1934-1761”
Choosing an online cinema and TV box.
Choosing an online cinema with surround sound was the most laborious task. Currently (and this is October 2024) movies with a 5.1 track can be watched on Kinopoisk, Ivi, Okko, Wink, and Netflix. These are the cinemas I subscribed to and checked the 5.1 surround sound from the apps. There may be others.
Simultaneously tested this on several TV boxes with Android TV and Google TV.
This is how it worked. When connecting Reflex with 5.1 sound output settings, all applications determined that it was possible to output sound in 5.1 format, but the sound is output in this format only on those set-top boxes that have a Dolby audio license. If the set-top box does not have this license, then simple stereo. But it's not that simple there either. Let's go through the online cinema applications.
1. OKKO. On TV boxes with a Dolby audio license, the player offers to output sound in 5.1 format, but there is NO sound through USB audio. It is not possible to switch to stereo mode. On TV boxes without a Dolby audio license, the sound is output in stereo and works perfectly, but I don't need it. Support promised to fix this. Waiting for an update.
2. Kinopoisk. On TV boxes with a Dolby audio license, the player offers to output sound in 5.1 format, but there is also NO sound through USB audio. But there is a choice of Stereo audio track. Everything is fine there, but not needed. On TV boxes without a Dolby audio license, the sound is output immediately and only in stereo.
3. Netflix. The same as in Kinopoisk. When choosing the 5.1 track, there is no sound. Stereo is fine.
4. IVI. Everything is fine there. On set-top boxes with a Dolby audio license, the sound on 5.1 tracks is excellent, but it starts with stereo and switches to surround after 5-6 seconds. Everything is fine on stereo tracks. Good, but there is also Wink.
5. Wink. Perfect playback of 5.1 tracks via USB audio. No delays, excellent quality. Dynamics, scene. When a helicopter flies, children hide behind chairs. And if it's a cartoon battle scene, they run to help the heroes. Full immersion!
My choice is Wink and IVI and the TV set-top box media player Xiaomi mi box s 2nd gen, it has a Dolby audio license.
Equipment.
Now a low level for DIY practitioners.
USB-I2S transport Reflex 3 is installed on “Audio Artwork 1452-1934-1761”. As a control panel, we will use the “Artwork Control Panel Disp”, it has a sampling rate / bit depth indicator, volume control, and mode switch. There are also two buttons and indicators on addressable LEDs. How to combine all this into a home theater? Four boards with operational amplifiers are attached to the “Audio Artwork 1452-1934-1761”. Power supply 12V/0.5A.
The picture shows the assembly of the home theater.
Pay special attention to the jumpers. Marked with red rectangles.
Outputs / inputs are labeled as in SigmaStudio.
Software.
The “Audio Artwork 1452-1934-1761” board has DSP ADAU1452 and DAC AD1934 installed, so the home theater project will be created using SigmaStudio, and with the help of ChipStudio it will be transferred for control and setup of the home theater in the Reflex transport.
SigmaStudio
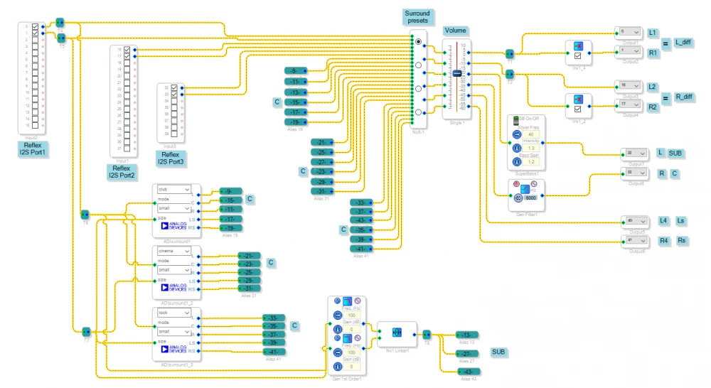
This is a graphical interface for managing and configuring various digital audio processors manufactured by Analog Devices. In SigmaStudio, you can build an audio path of almost any configuration by connecting various sound management algorithms. In our case, the ADAU1452 audio processor and AD1934 DAC are configured as a 6-channel audio path (5.1). Six audio channels from the Reflex transport, already laid out in 5.1, are fed to a preset switch, how to call it correctly? presets, perhaps. What does it mean? In the upper position, six channels are transmitted to six outputs through a common volume control. There is no special processing. Only the subwoofer channel has a super bass algorithm, and the center channel has a filter with a high-frequency shelf from 6 kHz with low Q and a slight gain of +3dB. Adds transparency to the scene. Super bass is set to 40Hz with an intensity factor of 1.3 and a gain of 1.2 (the emotional impact of turning on this algorithm is very high, be careful). The SuperBass algorithm does not raise the low-frequency level but artificially generates high harmonics above the crossover frequency, creating the impression of increased bass. Intensity sets the level of these harmonics, and gain is applied to the signal below the setting frequency (40Hz in our case).
The three lower positions of the "presets" switch connect the ADIsurround algorithms, which decode the input stereo signal into surround sound. This is enabled if there are no surround channels at the cinema input, only stereo. As a result of the decoding process, we get a channel from the sum of the left and right channels, (L+R), which contains frontal information, and a difference channel (the difference between the left and right channels, L-R / R-L), which contains ambient information. Depending on the mixing and distribution of the difference channel with the sum channel, left, right, center, as well as side or rear surround sound channels are obtained. The front speakers L and R broadcast music, front sound effects, and directional dialogues; The center speaker carries most of the dialogues, and the surround sound speakers (ideally located to the side of the listeners and slightly above them) provide atmosphere and surround sound effects. I have three algorithms switched: Club, Cinema, and Rock.
Open the project in SigmaStudio, everything is much clearer there. You can view and check/change various settings for a hall or a small room. You can experiment with them to adapt the sound to the room where the system is located and personal preferences. But know that there is no "correct" setting for ADISurround algorithms.
ChipStudio
The SigmaStudio interface is a powerful program. All changes and settings for the correct (your own) sound can be made on the fly by connecting to the DSP via the I2C or SPI interface. It is free, which is important. But there is one drawback for users without DSP programming experience. SigmaStudio does everything only if it is running on a PC. When the DSP is disconnected from SigmaStudio, the project stops and the DSP does not work as a standalone device. To transfer the project to a microcontroller, for example, installed on Reflex, the ChipStudio environment was created. This is also a graphical interface that understands the saved SigmaStudio file and correctly transfers the project to memory for standalone operation when connected via USB to the Reflex transport. In the project file, you will find the so-called combo project for the cinema. ChipStudio is also a free program. Open the cinema combo project in it, connect Reflex in boot mode and transfer it to memory. Now Reflex will control the DSP ADU1452 and DAC AD1934, connected via SPI interfaces. All adjustments from this project brought to the control panel are connected to the GPIO of Reflex.
This is what the project looks like in ChipStudio
This article is more of a guide. I just want to draw your attention to the amazing projects in the field of digital sound control. If you download SigmaStudio, look at its capabilities, you will be simply shocked: How did they (AD) come up with all this? Such complex processes and such simple control tools. And if you get to practice and open ChipStudio, I will be just happy.
Make your own real home theater, stock up on popcorn! Enjoy!
Instructions for SigmaStudio - ADI Algorithms [Analog Devices Wiki]
Instructions for ChipStudio, the program itself is in the Technical Documentation section - Reflex 3.0, USB Hi-Res transport PCM up to 32bit/384kHz, DSD512, SPDIF Out 384kHz, Surround 4xI2S, TDM


Write comment