- Hardware
- A
Retro computer of my dreams. How I assembled it in 2025 and what the result was
Hello, %USERNAME%. Do you remember that feeling when you have a free day and you can put a game disc you bought the day before in the CD-ROM drive right in the morning? And then start exploring a new world for yourself. I was there, Gandalf, it was 3000 years ago! I still remember that sound of the hard drive loading Windows 98, plus the slight crackle of the CRT monitor when it turned on.
It would seem that now, in the dawn of virtualization, there is no need to bother with purchasing real "retro hardware" at all. But I wanted that very authenticity and those exact emotions. A quarter of a century ago, my PC was a custom-built unit based on an Intel Pentium II. Therefore, it was decided to assemble a similar configuration and look at the operation of such a PC through the eyes of a modern user. Let's take a look at what happened.
Monitor
I started my search not with the motherboard and not with the processor. The first component I decided to pick was the monitor. At first, I wanted to get a CRT-based device, like the 17-inch LG Flatron F720P. For its time, it was an excellent device with a flat screen that delivered a great picture. Its main problem—it’s huge and heavy. Unfortunately, I don’t have much space on my desk, so I had to abandon this idea.
Then I decided to get a small LCD monitor with a diagonal of no more than 15 inches. I've long been a fan of IBM technology, so I chose the IBM 9512-AB1 model:
A strict gray rectangle with a beautiful IBM logo came to me practically for free and in excellent condition. The only downside was two dead pixels—one green and one black. If you think about it, that’s hardly a flaw at all. My unit was born in July 2002, so the old fellow has been well preserved. Among the childhood illnesses of the model, one can recall the failure of the capacitor on the backlight inverter, but in my case, it had already been successfully replaced.
Processor
I decided on the Pentium II-MMX (Deschutes) for Slot 1, running at a frequency of 350 MHz. The processor is installed on a 242-pin SEC cartridge (with a separate 512 KB L2 cache on the PCB). This CPU would be a very fast option for any old DOS games and could handle games like Half-Life, Serious Sam, or "18 Wheels of Steel 2". It is supported by almost all operating systems of that time, including the target Windows 98 SE.
Finding such a "stone" now was not difficult. I visited a popular online marketplace in Russia and bought what I needed. Of course, I understood that the processor was not new but used. However, when it arrived, it was clear that the poor thing had lived its whole life under harsh conditions. The first thing I did was change the thermal paste. Not only had it dried out long ago, but it was also applied with the clear plastic film still on the radiator's base. I removed this beauty and applied fresh Arctic MX-2 to the processor. Now, all that was left was to find where to install this chip.
Motherboard
I had the highest number of requirements for it. All of them, one way or another, stemmed from my usage experience and the desire to make the build versatile. I wanted the motherboard to be an intermediate option between the different standards of that time.
For this, ISA slots were required to install vintage cards, such as ArVid cards. Also, PCI slots for peripherals and AGP for a graphics card. And of course, a Slot 1 connector.
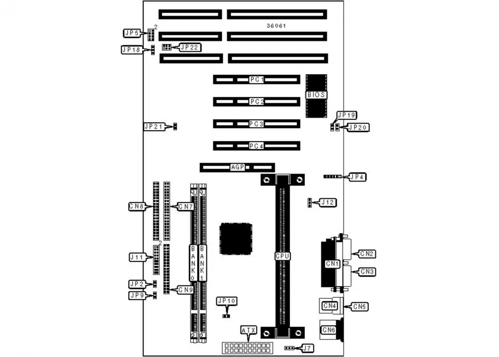
Such a motherboard was found only after a couple of weeks of searching. It's a rather rare P6B40-A4Z produced by Tekram:
This board, based on the i440ZX chipset (a slightly reduced version of the 440BX), had all the necessary slots for me:
Slot 1;
3 x 16-bit ISA;
1 x 3.3V AGP;
4 x 32-bit PCI.
As RAM, SDR SDRAM modules with a total volume of 256 MB can be installed in it, which perfectly matched the system requirements of games of that time. An alternative was also supported—EDO RAM. But they were too small, so the first option was preferable.
To connect the keyboard and mouse, you can choose the traditional method in the form of PS/2 or use a pair of USB 1.x. In addition, the board featured two serial ports DB9 (COM1 and COM2) and one parallel port DB25 (LPT).
There were also some unique features typical of motherboards of that time. Many vendors, seeing the popularity and magic of the word "multimedia," tried in various ways to add it to their products. Therefore, the motherboard has a special connector for connecting an IR port:
On one hand, this was a full-fledged communication interface allowing interaction with portable devices like PDAs. On the other hand, the presence of an infrared transceiver allowed controlling the playback of movies or music with any remote control. Such a "multimedia" feature.
Another extremely useful feature lies in the fact that the motherboard has an SB-Link connector. With its help, you can connect the sound card to the south bridge, implementing hardware acceleration for old DOS games. This will allow bypassing Sound Blaster emulation and get sound directly. Finding a ready-made cable for sale is practically unrealistic, but at the same time, it is easy to make one yourself.
Video Card
Here I had to make a difficult choice. Take something more old-school and proper for DOS games or look at relatively modern options. Digging around various marketplaces, I decided that I don't even have to make this choice and take not one, but two cards.
For old DOS games, I bought SiS 6326 from Silicon Integrated Systems. It featured a decent graphics accelerator running at 75 MHz and having 8 MB of video memory. Such cards were produced in PCI and AGP form factors. The motherboard allowed, so I opted for the latter.
As for more modern toys, I decided to look for something with the Nvidia Riva TNT2 Ultra (NV5) chip. This chip was the last before the Nvidia GeForce series. My search was successful, and at one of the flea markets, I found what I was looking for. Please welcome — Maxi Gamer Xentor 32. Back in 1999, the box with it looked like this:
Back then, it cost an outrageous 230 $. Now, I bought it for just 5 $. Over the years, my card, as expected, lost everything, including the box, TV-Out cable, and even the active cooling fan. I bought it "as is," without testing it:
Luckily, it powered up on the first try. However, before the first run, I immersed it in pure ethyl alcohol and dried it thoroughly. After confirming that the card worked, I turned it off and hid it until better times, that is, until the lost cooling fan arrived. Fortunately, the Chinese produce excellent small heatsinks with fans for the standard mounting of such old GPUs. The price — two dollars (with shipping, Carl!). But alas, it needs to be waited for. Running the video card without cooling on this chip is not an option — it will burn out.
Sound Card
It would probably make sense to buy some kind of Sound Blaster and feel great, but my genuine love for Yamaha played a role here. So, I chose a sound card with the Yamaha XG YMF724E-V chipset:
It fully met my needs for high-quality sound, regardless of the format. This is especially true for my archive of tracker music, which I often listen to while working. Also, most games won't have any issues with this sound card. Again, it has that very infamous SB-Link connector.
Hard Drive
Buying a used drive is always a lottery. But I'm a lucky person, so I managed to get a Seagate ST34321A (Medalist 4321) in perfect condition. It's funny that the name encodes the raw capacity of the unformatted disk — 4,321 MB. The Medalist line was the predecessor to the famous Barracuda and was known for its great reliability:
The feature of this particular model is that it works even with motherboards that couldn't recognize large capacity drives (over 2 GB). You just had to move a jumper to a different position — and the drive would be recognized as 2.1 GB (4,092 cylinders).
This piece of technology operates at a speed of 5,400 RPM, which is enough for my purposes. As for the small capacity, I plan to expand it by adding another drive, but this time through an IDE-to-CF adapter.
Other Details
All the parts are in hand, now I need to find a case. I really love the INWIN S500 model. The design with the rectangular power button and the "triangular" reset button still fills me with wild enthusiasm. But I've already had a newer machine in such a case, so I wanted to find something older and more authentic. It turned out that I didn’t find the case, but the case found me. A friend who learned about my retro-computer project simply gave it to me:
Thick metal, sturdy walls, and everything about it commands respect. In today's world of fragile plastic and glass cases, such an abundance of metal looks incredibly solid and reliable. The motherboard mounting panel is removable, with two metal latches for quick maintenance without the need for unscrewing. Along with it, I got a power supply and a 40x ATAPI CD-ROM drive.
I also decided to equip the PC with a built-in analog modem. I’ve had a long-standing dream of buying a small office PBX and trying to connect several computers through modems. So this is my setup for the future.
In Conclusion
Here she is, the "fish of my dreams." I'm sure many will say that I could have built a much better, cooler, prettier, more powerful, and stylish computer — underline whatever fits. But that wasn't my goal. I just wanted to recreate the computer configuration I had spent an unreal amount of hours tinkering with, gaming, listening to music, and even watching movies in DivX format. From that perspective, my task was completely accomplished.
Ahead lie many experiments with installing different operating systems, including those I've been wanting to explore for a long time. It's also in my plans to add a network module or even an entire industrial computer in the ISA card form factor.
Yes, indeed, that happens too. But that's a different story, and for now, I'm off to install Windows 98 SE and play my favorite titles.
What do you think of this retro build? Share your thoughts in the comments.












Write comment